Инструкция по эксплуатации Trabant 1,1. Руководство на немецком языке по эксплуатации и техническому обслуживанию автомобиля Trabant 1,1. Автор: - Издательство: - Год издания: 1989 Страниц: 58 Формат: PDF Размер: 5,8 Mb Скачать
Руководство по ремонту Trabant 1,1. Руководство на немецком языке по техническому обслуживанию и ремонту автомобиля Trabant 1,1. Автор: - Издательство: - Год издания: 1988 Страниц: 28 Формат: PDF Размер: 20,8 Mb Скачать
Доработка двигателя Trabant . Руководство на польском языке по увеличению мощности двигателя P63 автомобиля Trabant. Автор: - Издательство: - Год издания: - Страниц: 12 Формат: PDF Размер: 5,5 Mb Скачать
Устройство Trabant P 600/601. Описание устройства на нидерландском языке автомобиля Trabant моделей P 600 и P 601. Автор: P. Olyslager Издательство: - Год издания: 1965 Страниц: 28 Формат: PDF Размер: 6,0 Mb Скачать
Руководство по ремонту Trabant 601. Руководство на польском языке по техническому обслуживанию и ремонту автомобиля Trabant 601. Автор: - Издательство: - Год издания: - Страниц: 43 Формат: PDF Размер: 1,0 Mb Скачать
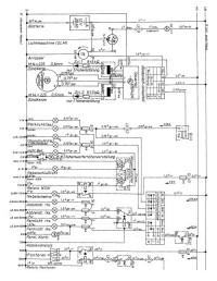
Электросхема Trabant 601. Схема на немецком языке по электрооборудования автомобиля Trabant 601. Автор: - Издательство: - Год издания: - Страниц: 3 Формат: PDF Размер: 419 Kb Скачать
Инструкция по эксплуатации Trabant 601. Руководство на немецком языке по эксплуатации и техническому обслуживанию автомобиля Trabant 601. Автор: - Издательство: - Год издания: 1987 Страниц: 67 Формат: PDF Размер: 1,1 Mb Скачать